医院检验科用纯水过滤设备,制水设备
检验科每天承担包括病房、门急诊病人、各类体检以及科研的各种人体和动物标本的检测工作。
随着医院检验学科的发展,医院检验科对实验室用水的要求也越来越严格,水质的好坏直接导致检验结果准确与否,而且多数检验科在发展中都会面临标本量、检测量迅速增加的挑战,需要不断增加新的检测仪器、采用一些新的技术装备,甚至引进全自动工作系统以及流水线。分析系统设计越来越精密,使得检验过程对水质越来越敏感。
医院中央分质供水系统取代了传统的每个使用点独立产水、用水、维护和管理的用水方式。传统的多台单机解决方案,只有少数设备能够使用直供纯水,大部分的日常用水需要到纯水设备边去接水,并采用额外的容器进行储存和运送,影响科室检测质量的统一性和稳定性,也造成了一定程度上的人力、时间和物力的消耗。而医院中央分质供水系统,由于产水统一进行,可以指定专人进行设备使用、维护和管理,纯水通过管道分配到直接用水点,避免了纯水在储存过程中的二次污染,降低了使用风险。
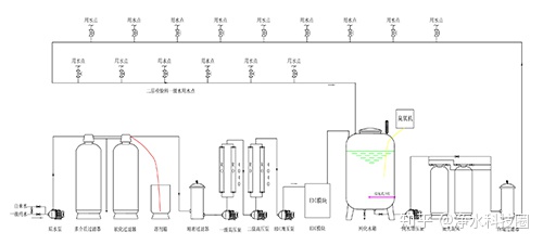
检验科用水示意图
检验科水质要求
在检验科实验室每天几十项甚至上百项实验分析中,重要的一种试剂就是水,为了保证实验结果的准确性,水质非常的重要,那么医院检验科实验室用水标准是什么?
分析实验室用水的原水应为饮用水或适当纯度的水。
三级纯水主要用途是清洗瓶皿,高压消毒装置用水以及超纯水进水。
二级纯水可适用于多种需求,从试剂制备和溶液稀释,到细胞培养配备营养液和微生物研究。
一级纯水主要用于高精密度的分析实验和对水纯度要求很高的生命科学实验。
检验科用水需求
检验科对水的需求主要集中在医护人员日常饮用水,生化仪用水,免疫分析仪用水,试剂配置、染色片冲洗、稀释样本等。
日立7600-120全自动生化分析仪,其用水需求及标准为:临床实验室二级标准,细菌含量限制达到一级标准,其进水条件标注仪器工作状态平均用水150L/H。
雅培2000全自动免疫分析仪,其用水需求及标准为:临床实验室二级标准,细菌含量限制达一级标准;仪器工作状态平均用水5.5L/H。
微生物、体液、血液等检测都有可能需要使用纯水进行试剂配置、染色片冲洗、稀释样本、倒制培养基等工作,其水质要求都是达到二级标准,细菌含量为限制起码达一级标准。按照三级甲等医院通常的计算水量,200L/天即可满足。
医院中央分质供水系统—检验科用水案例
人民医院中央分质用水系统中检验科制水设备供水量为500L/H。检验科室设11个用水点。
医院中央分质供水机房—检验科制水设备

医院中央分质供水机房—检验科制水设备
中央分质用水系统中检验科制水设备供水量为500L/H。检验科室设9个用水点,供生化分析仪、免疫分析仪等设备使用。
中央分质供水机房—检验科制水设备
医院中央分质供水系统优势
1. 提升医院管理效率和管理水平。
2. 降低一线医务室工作者的工作强度。
3. 节约宝贵的医院用房。
4. 减少设备投资,降低运行成本。
5. 用水质量更安全。
6. 用水水量更有保障。
医院中央分质供水经济效益
1. 水资源利用率提高一倍,节水50%。
2. 变频技术和动态降耗技术,节电50%。
3. 耗材品种与数量大幅减少,更换频率降低,降耗50%。
4. 只需一人分管,降低80%人工成本。
5. 机房不占用科室用房,节约空间。
6. 系统符合《绿色建筑评价标准》,方便绿色医院评定。
- 上一篇:超纯水水处理设备加药装置计量计算(仅供参考) 2021/11/1
- 下一篇:疑问解答-超纯水和去离子有什么不同的地方 2021/10/14
最新产品
1疾控中心实验室污水设备
2PCR实验室废水处理设备
3牙科医院口腔污水处理设备
4实验室废水处理设备
5陶氏膜,陶氏反渗透膜,原装陶氏
6软化水设备,软化水机,全自动软
7二级渗透工艺实验室超纯水机
8抛光树脂,核级树脂,MR575
9F78A自动软化阀,软化水设备
10厂家直销超纯水设备,线路板厂清
最新资讯文章
- 1医院各科室水处理纯水设备行业标准,小编为大家整理了一下,仅供参考!
- 2医院手术室用纯水设备水处理系统水质标准介绍
- 3实验室超水机- 福建美一食品与成都奥迈签订超纯水机合作协议!
- 4华为技术有限公司
- 5超纯水水处理设备加药装置计量计算(仅供参考)
- 6疑问解答-超纯水和去离子有什么不同的地方
- 7高性价比的实验室超纯水机这样选,省钱又实用!
- 8实验室纯水设备未来市场发展展望
- 9中科院成都光电研究所与成都奥迈科技签订去离子水机合作协议!
- 10超纯水设备系统浓水的特点以及会出现什么问题?













